网站首页
关于我们
公司简介
资质证书
车间设备
产品中心
矿灯系列
防爆灯具系列
充电架(机)系列
电缆挂钩系列
分线盒系列
液压支架、阀类、管接头系列
防爆开关系列
电力变压器、矿用变压器系列
新闻资讯
公司新闻
行业动态
资料下载
联系我们
首页
关于我们
公司简介
资质证书
车间设备
产品中心
矿灯系列
防爆灯具系列
充电架(机)系列
电缆挂钩系列
分线盒系列
液压支架、阀类、管接头系列
防爆开关系列
电力变压器、矿用变压器系列
新闻资讯
公司新闻
行业动态
资料下载
联系我们
产品中心
PRODUCT
产品中心
首页
-
产品中心
-
充电架(机)系列
-
KTSB-102型矿灯充电架
KTSB-102型矿灯充电架
如果您有任何问题可以联系我们!
联系我们
电话:
13325777577
扫一扫,加我为朋友
详细信息
详细信息
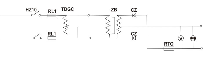
交流电源经电源开关(HZ10)、熔断器(RL1)及交流调压器(TDGC)至整流变压器(ZB)的一次侧。交流电经整流变压器改变电压后输至硅整流元件(CZ)组成的单相全波整流电路变换为直流电。输出电压调节通过调压器来调节变压器一次电压。改变输出电压。
电气原理图:
KTSB-54型矿灯充电架
充电插头
返回
相关产品
KTDC-001型锂电矿灯充电机
KLZC-001型锂电镍氢矿灯智能充电机(单充)
KTSC-001型矿灯充电机
KTSC-11型矿灯充电机(11充)
KTSC-20型矿灯充电机(20充)
KCLA-102型锂电充电架
联系我们
浙江乐清翁垟明大工业园区
13325777577
首页
/
关于我们
/
新闻资讯
/
产品中心
/
资料下载
/
联系我们
© 浙江明大电气有限公司
浙ICP备09111083号
XML
网站地图
网站制作维护:
传信网络